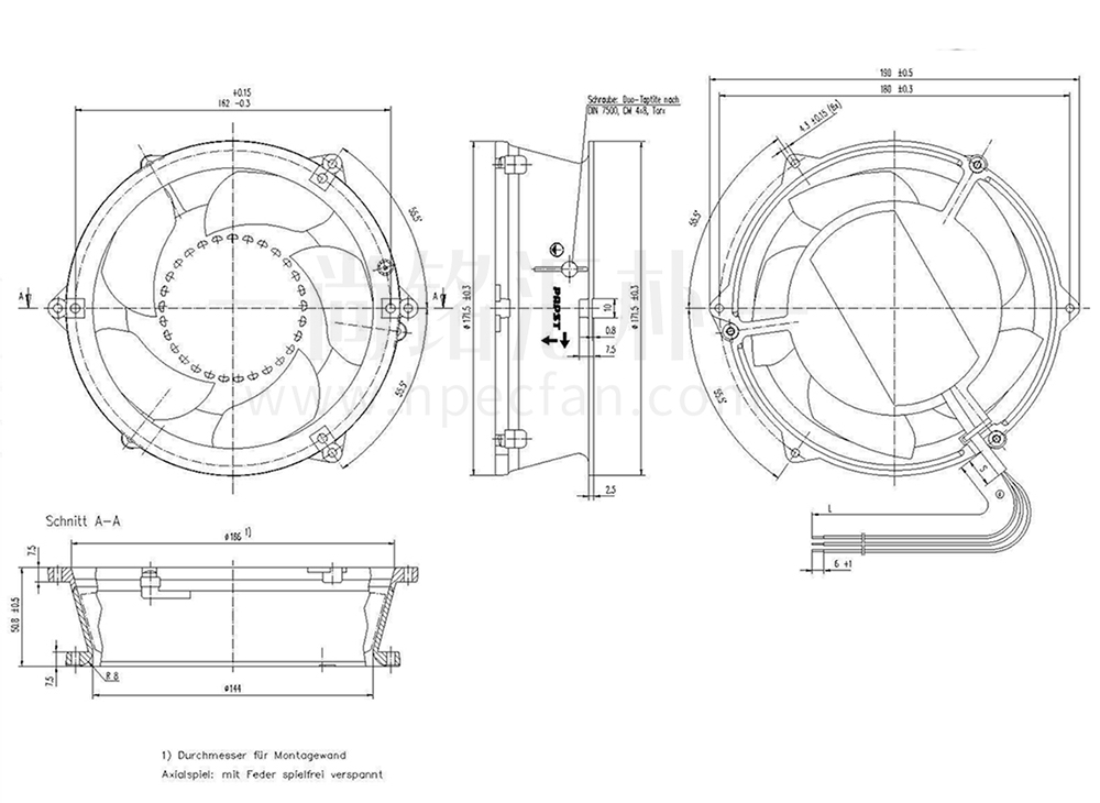
德国ebmpapst DV6224/2风机结构风量图:


在风机技术不断发展的今天,EC 离心风机凭借其独特的优势逐渐崭露头角,成为众多领域通风设备的理想选择。那么,究竟什么是 EC 离心风机呢?

在风机技术领域,ebm-papst 是一个备受瞩目的名字。作为全球领先的风机和电机制造商,ebm-papst 以其卓越的创新能力、高品质的产品和广泛的应用领域,在行业内树立了良好的口碑。

EC 风机与变频风机在原理、性能特点、应用场景等方面存在诸多区别,以下是详细介绍:

在风机的日常运行中,出现异响是一个常见且不容忽视的问题。风机异响不仅会影响设备的正常运行,降低工作效率,还可能预示着设备存在潜在的严重故障。因此,及时准确地判断风机异响的原因并采取有效的处理措施至关重要。以下将详细介绍风机出现异响的可能原因以及相应的处理方法。

在风机的大家族中,紧凑型风机以其独特的优势逐渐崭露头角,受到了越来越多领域的青睐。那么,究竟什么是紧凑型风机呢?简单来说,紧凑型风机是一种在设计上追求空间高效利用,同时保证良好性能表现的风机类型。

在风机的世界里,贯流风机以其独特的工作原理和性能特点,在众多领域中占据着重要的一席之地。对于许多人来说,或许对它还不是十分熟悉,那么,究竟什么是贯流风机呢?