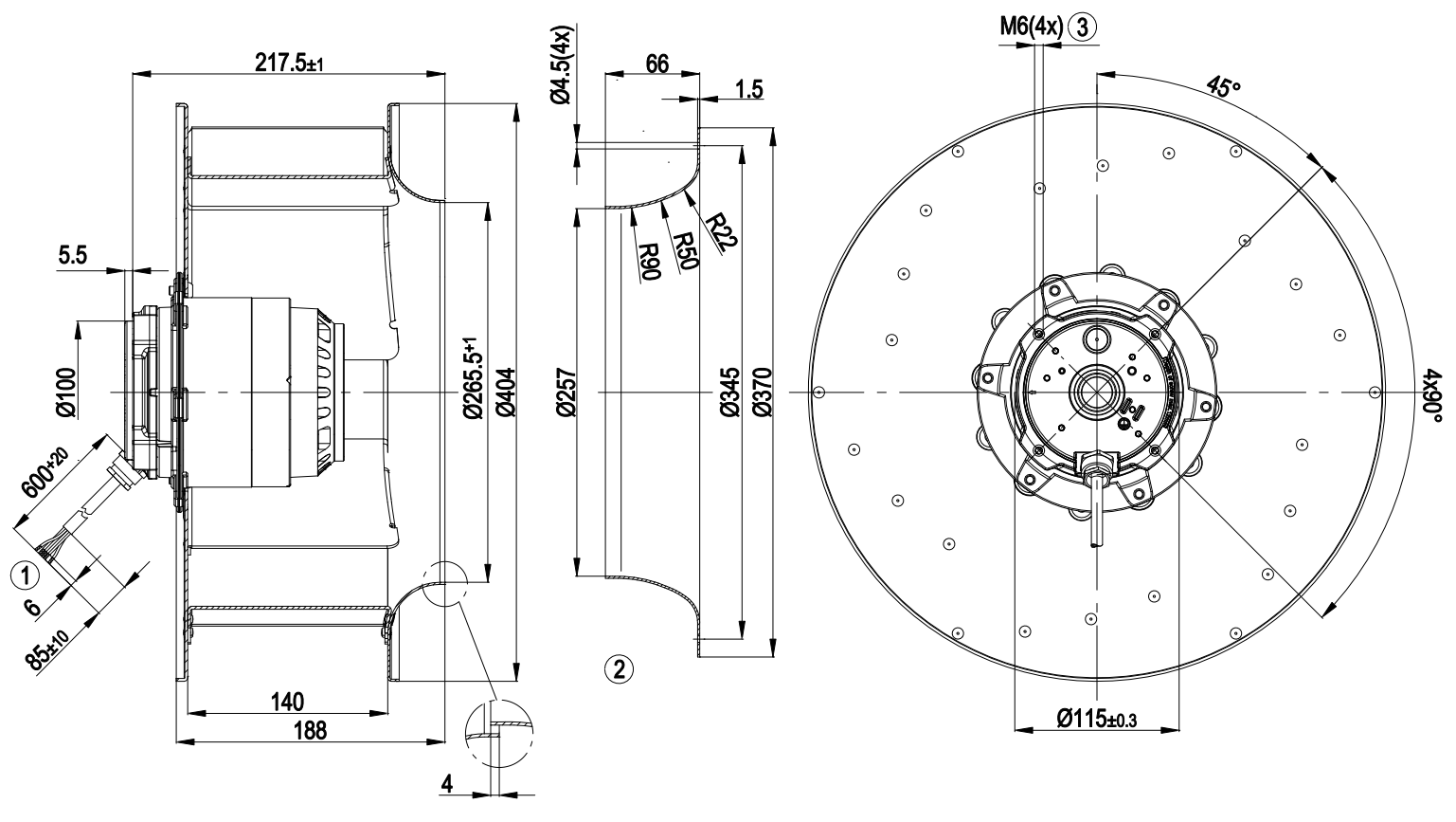
ebmpapst风机 R4E400-AN09-06
品牌
ebmpapst
类型
AC后向
描述
产品参数
  • 产品型号 : R4E400-AN09-06
  • 额定电压(V) : 230
  • 尺寸(mm) : 400
  • 最大风量(m³/h) : 3490
  • 最大压力(Pa) : 400
  • 输入功率(W) : 480
  • 转速(rpm) : 1370
  • 产品参数

推荐内容

查看更多
服务热线

总部座机

0510-85858788

手机号

18951518501

微信