ebmpapst风机 G1G108-AB17-02
品牌
ebmpapst
类型
EC前向
描述
产品参数
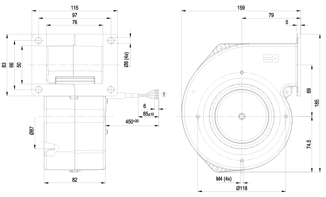
  • 产品型号 : G1G108-AB17-02
  • 额定电压(V) : 24
  • 尺寸(mm) : 185*159*115
  • 最大风量(m³/h) : 190
  • 最大压力(Pa) : 414
  • 输入功率(W) : 42
  • 转速(rpm) : 3000
  • 噪音(db) : 65
  • 产品参数

推荐内容

查看更多
服务热线

总部座机

0510-85858788

手机号

18951518501

微信